广州qm伊甸园广州之窗

電念頭節制與掩護電器
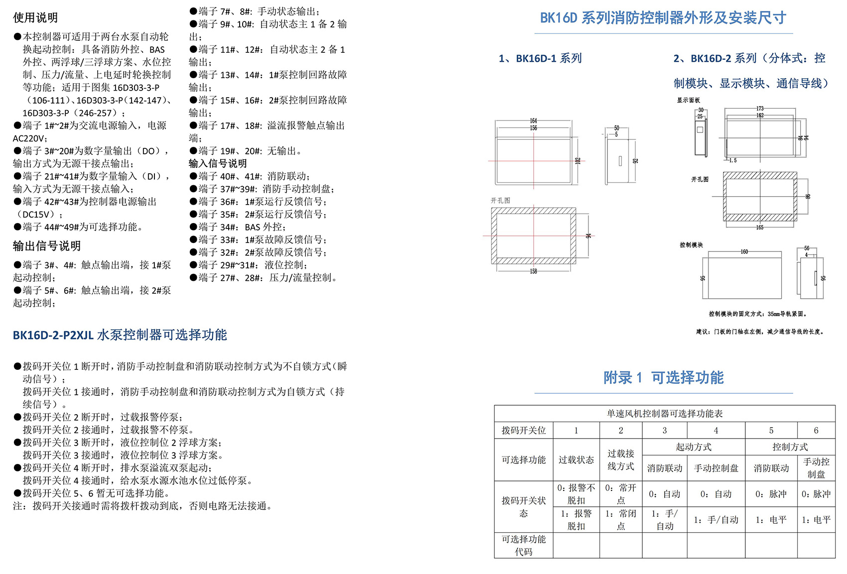
BK16D 系列電動裝備節制器
產物簡介:
BK16D系列電動裝備節制器是一款針對行業風機水泵節制箱設想的系列產物,產物知足國度修建規范設想圖集《16D303-2 經常使用風機節制電路圖》及《16D303-3 經常使用水泵節制電路圖》。本產物接納智能化手腕,用邏輯計較取代了傳統的按鈕、唆使燈、轉換開關、中間繼電器、時候繼電器等器件,接線便利,簡略快速。相較于傳統的接線體例,本產物可節儉硬件投入、削減二次布線、節儉工時,并具有毛病率低,檢驗便利。
品  牌:寶凱
電  話:400-8366-990
郵  箱:baokai3102607@163.com
地  址:保定市徐水區大王店產業園區向陽北大街266號